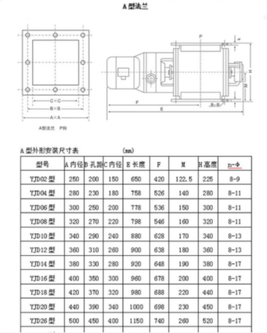
电动叶轮给料器 YJD星型卸料器 除尘卸灰阀 规格多样 按需定制
电动叶轮给料器 YJD星型卸料器 除尘卸灰阀 规格多样 按需定制
产品价格:¥850(人民币)
  • 规格:可定制
  • 发货地:河北沧州市
  • 品牌:
  • 最小起订量:1台
  • 免费会员
    会员级别:试用会员
    认证类型:企业认证
    企业证件:通过认证

    商铺名称:泊头市广泰环保机械有限公司

    联系人:于经理(小姐)

    联系手机:

    固定电话:

    企业邮箱:3165728861@qq.com

    联系地址:

    邮编:062153

    联系我时,请说是在勒克斯之家上看到的,谢谢!

    商品详情
    0571-87774297