商铺名称:慈溪巨森电器有限公司
联系人:陈经理(先生)
联系手机:
固定电话:
企业邮箱:776772173@qq.com
联系地址:浙江省宁波市慈溪市横河镇龙南村王家桥
邮编:315318
联系我时,请说是在勒克斯之家上看到的,谢谢!
●过载 ●堵转 ●短路 ●欠载 ●相序 ●三相不平衡? ●缺相 ●过压 ●欠压? ●五次故障记忆 ●复位方式可选●过载动作时间定时限反时限通用?(选增功能)〇远程复位(接PLC输出口)
三、正常工作条件
四、操作指南

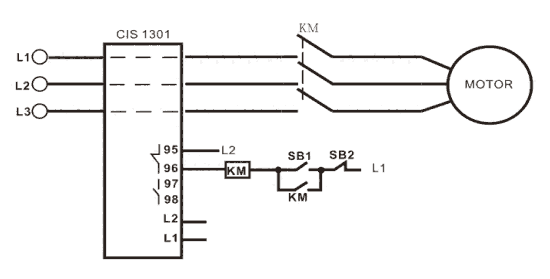
五、典型应用接线图例
六、结构尺寸(单位:mm)
