CIS1501慈森线路限流保护器生产厂家
CIS1501慈森线路限流保护器生产厂家
产品价格:¥10(人民币)
  • 规格:CIS1501
  • 发货地:浙江宁波市
  • 品牌:
  • 最小起订量:1台
  • 诚信商家
    会员级别:钻石会员
    认证类型:企业认证
    企业证件:通过认证

    商铺名称:慈溪巨森电器有限公司

    联系人:陈经理(先生)

    联系手机:

    固定电话:

    企业邮箱:776772173@qq.com

    联系地址:浙江省宁波市慈溪市横河镇龙南村王家桥

    邮编:315318

    联系我时,请说是在勒克斯之家上看到的,谢谢!

    商品详情

      CIS1501智能线路控制保护继电器
      一、概述
      CIS1501智能线路控制保护继电器是本公司研发团队在多年研制线路保护继电器的基础上开发的新一代智能型的科技产品,采用高精度ARM芯片,高线性度的CT,以及更加快速,更加准确的计时动作来保护线路。保护器具有自动线性修正功能,在较宽电流范围内仍具有很高的精度。可应用于学校、医院、商场、宾馆、寺庙、会展、住宅、仓库、电动车充电站及工厂等各种用电场所末端干、支路的线路保护。
      二、主要功能
      ●过载 ●堵转 ●短路 ●欠载 ●相序 ●缺相●三相不平衡 ●过压 ●欠压 ●五次故障记忆 ●复位方式可选●过载动作时间定时限反时限通用
      选增功能:〇漏电〇4-20mA模拟量〇485通讯
      三、正常工作条件

      四、操作指南

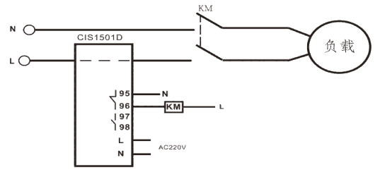
      五、典型应用接线图例

      六、结构尺寸(单位:mm)

    0571-87774297