HVST-1000触摸屏数显显微硬度计数显台式金属维氏硬度测试仪器
HVST-1000触摸屏数显显微硬度计数显台式金属维氏硬度测试仪器
产品价格:¥面议(人民币)
  • 规格:完善
  • 发货地:本地至全国
  • 品牌:
  • 最小起订量:1
  • 诚信商家
    会员级别:钻石会员
    认证类型:企业认证
    企业证件:通过认证

    商铺名称:重庆纳格雅科技有限公司

    联系人:张经理(先生)

    联系手机:

    固定电话:

    企业邮箱:1318899894@QQ.com

    联系地址:重庆市九龙坡区白市驿镇赣江机电城18栋

    邮编:

    联系我时,请说是在勒克斯之家上看到的,谢谢!

    商品详情

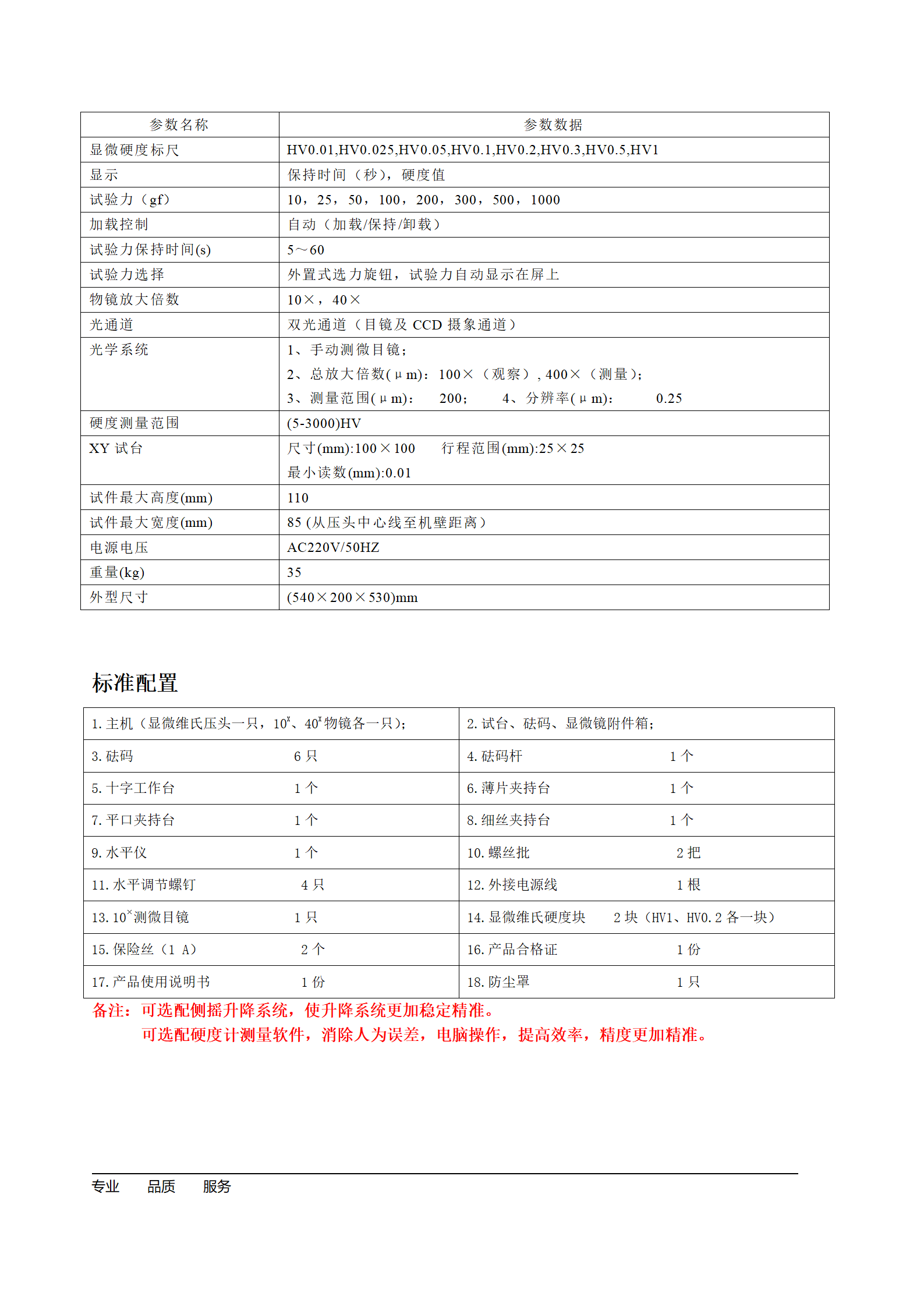
      重量:35

      电源:220

      试验力:1000

      测量范围:5-3000

      加工定制:是

      允许高度:110

      特点描述:触摸屏数显

      试样架数:3

      恒温温度:10-50

      允许最大高度:110





    0571-87774297