商铺名称:上海亨沃设备有限公司
联系人:黄娟(小姐)
联系手机:
固定电话:
企业邮箱:2851001727@qq.com
联系地址:上海市宝山区沪太路5355弄10号楼910室
邮编:200000
联系我时,请说是在勒克斯之家上看到的,谢谢!
| 产品参数 | |||
|---|---|---|---|
| 品牌 | 菲尼克斯 | ||
| 封装/规格 | 全包 | ||
| 通道数 | 多通道 | ||
| 输入/输出端口 | 1/3 | ||
| 3/1 | |||
| 包装 | 标准包装 | ||
| 最小包装量 | 11 | ||
| 批号 | 全新 | ||
| 资质 | 齐全 | ||
| 售后 | 完善 | ||
| 价格 | 合理 | ||
| 严选 | 材质 | ||
| 口碑 | 良好 | ||
| 寿命 | 持久 | ||
| 服务人员 | 专业 | ||
| 额外特性 | 高温防爆 | ||
| 可售卖地 | 北京;天津;河北;山西;内蒙古;辽宁;吉林;黑龙江;上海;江苏;浙江;安徽;福建;江西;山东;河南;湖北;湖南;广东;广西;海南;重庆;四川;贵州;云南;西藏;陕西;甘肃;青海;宁夏;新疆 | ||
| 类型 | 电源隔离器 | ||





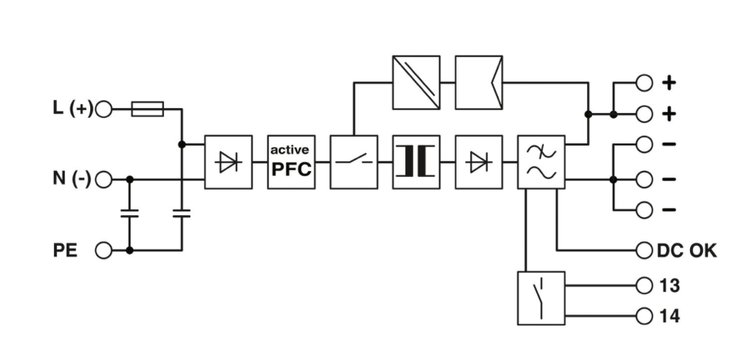
DIN导轨式电源装置24 V DC/40 A,初级开关模式,单相。
请在新系统中使用以下产品项目:2904603
交流电运行
额定输入电压范围 110 V AC 240 V AC
输入电压范围 85 V AC 264 V AC (衰减<100V DC: 2.5/V)
90 V DC 350 V DC (衰减<110 V DC: 2.5/V)
AC输入电压范围 85 V AC 264 V AC (衰减<100V DC: 2.5/V)
DC输入电压范围 90 V DC 350 V DC (衰减<110 V DC: 2.5/V)
电源电压的电压类型 AC/DC
冲击电涌电流 < 15 A (典型)
冲击电流积分 (I2t) < 3.2 A2s
AC频率范围 45 Hz 65 Hz
DC频率范围 0 Hz
电网缓冲时间 > 20 ms (120 V AC)
> 20 ms (230 V AC)
电耗量 大约 12.5 A (120 V AC)
大约 4.5 A (230 V AC)
额定功耗 1051 W
保护电路 瞬态电涌保护; 压敏电阻
典型响应时间 < 1 s
输入熔断器 20 A (快速熔断,内置)
允许用的DC备用熔断器 DC: 连接一个合适的熔断器
推荐使用的输入保护断路器 16 A 20 A (特性B、C、D、K)