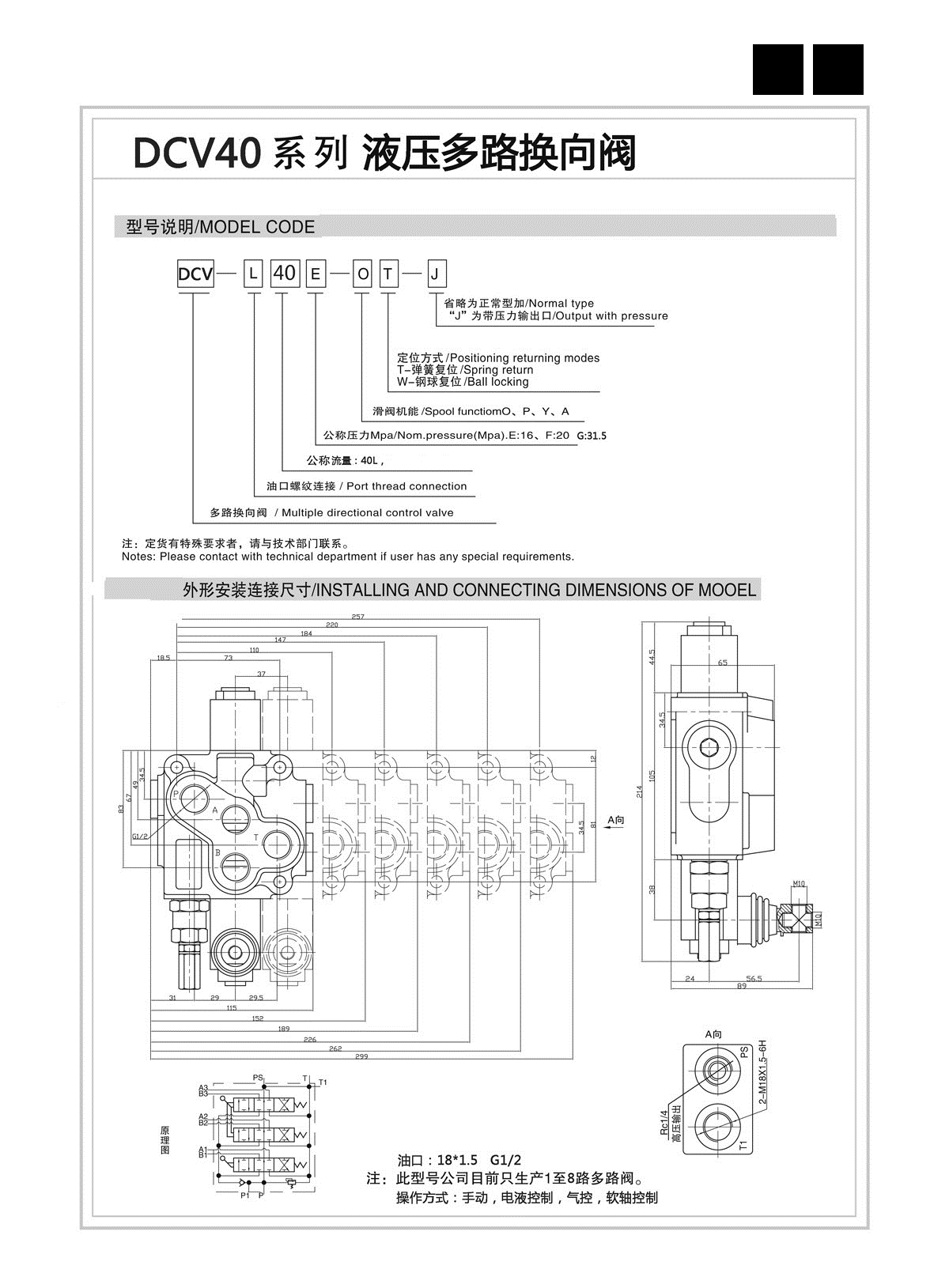
DCV40-2-E74(120)-2S4C2A1-U23G08手动液压多路阀
DCV40-2-E74(120)-2S4C2A1-U23G08手动液压多路阀
产品价格:¥600(人民币)
  • 规格:完善
  • 发货地:淮安
  • 品牌:
  • 最小起订量:1台
  • 诚信商家
    会员级别:钻石会员
    认证类型:企业认证
    企业证件:通过认证

    商铺名称:淮安舒克贝塔流体技术有限公司

    联系人:裘先生()

    联系手机:

    固定电话:

    企业邮箱:2817681599@qq.com

    联系地址:淮安市经济开发区南马厂大道22号9-2

    邮编:223300

    联系我时,请说是在勒克斯之家上看到的,谢谢!

    商品详情

      多路阀是由进油阀片、换向阀片和回油阀片组成。多路阀的回油体带有压力输出口,可与其它液压元件串联使用。该阀具有结构紧凑,工作压力较高,性能好,工作可靠,可实现多个执行机构的近、远程控制等优点。广泛应用于工程机械、矿山机械和其它机械的液压系统。

    0571-87774297