商铺名称:台湾恒望精密机械
联系人:周经理(先生)
联系手机:
固定电话:
企业邮箱:ichiseikizy@163.com
联系地址:江苏省昆山市周商路1号
邮编:215300
联系我时,请说是在勒克斯之家上看到的,谢谢!

|
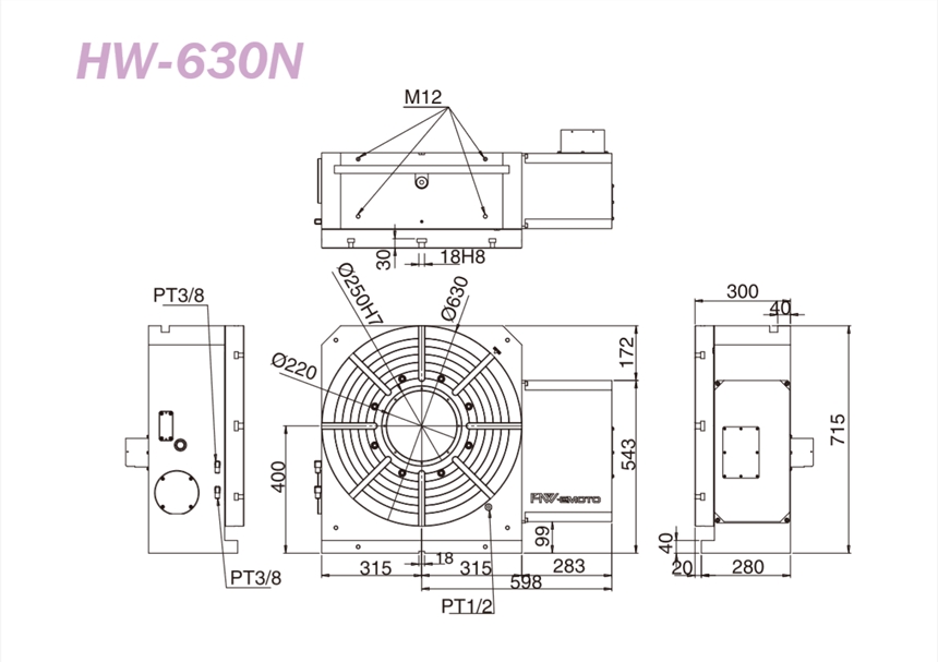
型号 |
单位 |
数值 |
|
|
工作台尺寸 |
mm |
?630 |
|
|
盘面孔尺寸 |
mm |
? 250H8 |
|
|
贯穿孔尺寸 |
mm |
? 220 |
|
|
中心高 |
mm |
400 |
|
|
伺服马达 |
发那克FANUC |
-- |
β22is |
|
三 菱MITSUBISHI |
-- |
HF-204S |
|
|
蜗轮容许扭矩 |
N.m |
2500 |
|
|
锁紧方式:油压 |
kg/cm2 |
30-35 |
|
|
盘面转速(电机2000rpm) |
rpm |
11.1 |
|
|
齿数比 |
-- |
180 |
|
|
最小分度单位 |
deg. |
0.001 |
|
|
定位精度 |
arc-sec |
15 |
|
|
重复精度 |
arc-sec |
4 |
|
|
容许工件荷重 |
kg |
400 |
|
|
立式/加尾座 |
kg |
850 |
|
|
锁紧扭力 |
N.m |
3700 |
|
|
净重(不含马达) |
kg |
710 |
|




