商铺名称:泰兴市昌泰减速机有限公司
联系人:薛先生(先生)
联系手机:
固定电话:
企业邮箱:1553918336@qq.com
联系地址:泰兴市姚王镇鲁堡
邮编:225400
联系我时,请说是在勒克斯之家上看到的,谢谢!
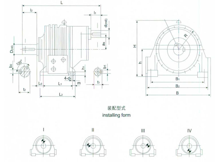
昌泰 NAZD630-12.2-II行星齿轮减速机 齿轮箱 可非标定制 泰兴减速机厂家优供,行星系列产品,型号全,规格多,行星减速机是渐开线圆柱直齿产品,技术上比较先进,结构上比较新颖,广泛适用于钢厂,冶金,煤炭,矿山,冶炼,重工企业,体积小,结构紧凑,承载能力大,使用寿命长。
NAZD行星齿轮减速机为单级传动结构,输入轴与输出轴在同一平面,但不同轴,输入轴的位置转绕输出轴,比较灵活,主要部件有行星轮,内齿圈,行星架,三个行星轮为一组固定于行星架上,内部与输入轴啮合,外部内齿圈啮合,同一时间,啮合的齿数多,实现功率分流。NAZD行星减速机是NGW行星减速机加强版,箱体为球墨铸铁,承载扭力更大,内齿圈,行星轮等主要部件都加厚,整机承载能力大大提高。经渗碳磨齿工艺,齿与齿啮合好,噪音低,耐磨损,寿命十年以上。




