商铺名称:东莞市创升机械设备有限公司
联系人:成小姐(小姐)
联系手机:
固定电话:
企业邮箱:2851011376@qq.com
联系地址:东莞市大岭山镇大塘工业区
邮编:523082
联系我时,请说是在勒克斯之家上看到的,谢谢!
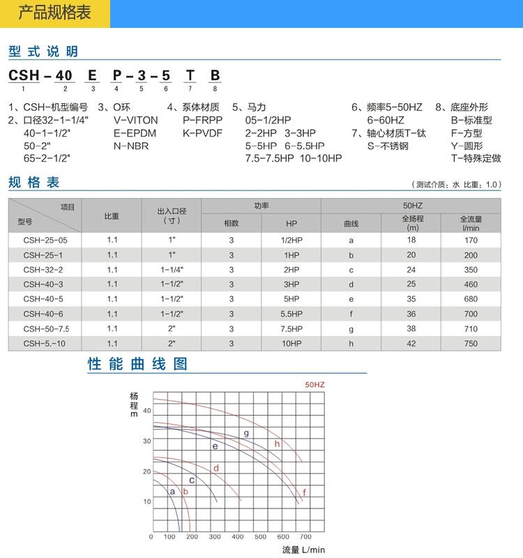
产品规格:(50/60Hz)
电机功率:0.37-7.5 KW
全流量:170-750 L/min
全扬程:15-42 m
主要材质:FRPP
适合温度:0~75℃(FRPP),0~90℃(PVDF)
(7)电机支承安装在轴承座上用螺栓紧固,在轴的上端装联轴器部件,并将电机联轴器用紧固螺钉紧固在电机轴头上,将电机装在电机支承上,并用螺栓,螺母紧固。
