商铺名称:宁津县鑫瑞达新能源科技有限公司
联系人:薛芳(小姐)
联系手机:
固定电话:
企业邮箱:1801812455@qq.com
联系地址:山东省德州市宁津县杜集镇崔庄
邮编:253400
联系我时,请说是在勒克斯之家上看到的,谢谢!
产品特点
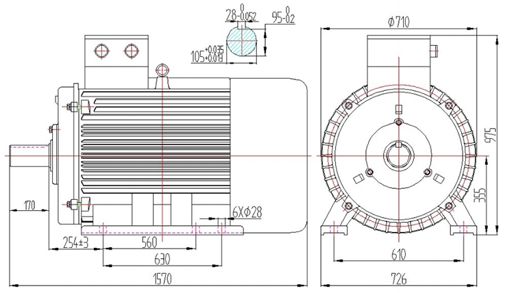
1.永磁发电机极数多,提高了风机低速时发电频率、解决了发电电压不稳的难题,提高了整流逆变效率,节省了后续处理设备的造价。
2.公司具有英国ABB公司生产的风力发电机检测中心,可有效保证产品质量。
3. 发电机经过有限元优化分析设计、结构合理,启动力矩小,解决了风车低速难以启动的难题,提高了风能利用率。
4. 低速永磁发电机,省去了增速机,提高了发电设备的可靠性、提高了发电效率、维修量小。
5.无炭刷、无励磁绕组,无励磁控制箱,结构简单,不产生火花.可靠性高,防护等级:IP54,使用寿命长。
7. 体积小、重量轻、能量密度大,适合特定场合。
8. 在整个速度范围内电机均高效运行,发电效率高。
9.电机采用进口含油高速轴承,免维护、可靠性高,电机寿命长。
10.可根据需要改变电机电压、转速、功率等参数,可改变电机外型、可采用花键轴伸、双轴伸、上下法兰盘等安装方式。
发电机可采用多极结构,即使在很低的转速下也能发出较高频率的电压。发电机可做成六相输出,满足特殊用途。




