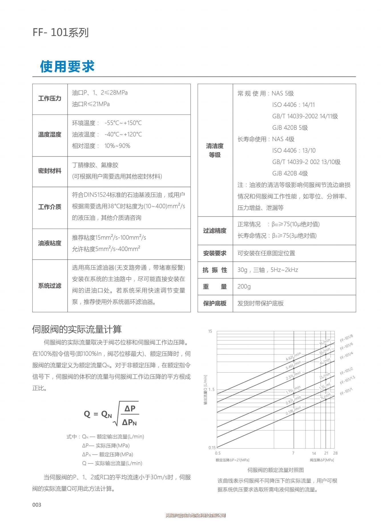
中航609FF系列电液伺服阀FF-101/1.5 /2 /4 /6 /8
中航609FF系列电液伺服阀FF-101/1.5 /2 /4 /6 /8
产品价格:¥10500(人民币)
  • 规格:FF-101
  • 发货地:江苏无锡市
  • 品牌:
  • 最小起订量:1台
  • 诚信商家
    会员级别:钻石会员
    认证类型:企业认证
    企业证件:通过认证

    商铺名称:无锡兴宸瑞自动化科技有限公司

    联系人:丁经理()

    联系手机:

    固定电话:

    企业邮箱:323888313@qq.com

    联系地址:江苏省无锡市梁溪区广瑞路555号

    邮编:

    联系我时,请说是在勒克斯之家上看到的,谢谢!

    商品详情

    0571-87774297